BIO
Electronic Design- Spring 2014
SolidWorks
LabView
AutoDesk Inventor
Google Earth
Page authors
M J
December 2, 2013
LabView
‎ > ‎
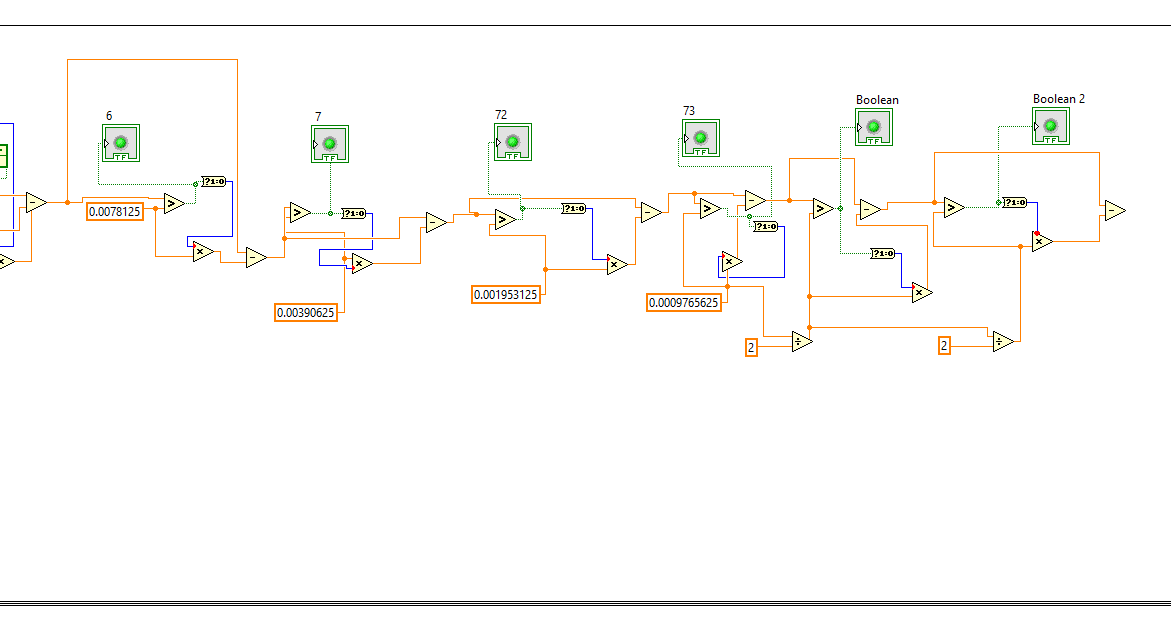
Binary Counter
  Â
Â
Click toÂ
Enlarge
PART 1. VI
PART 2 VI
    Â
Â
Click toÂ
Enlarge